Grip Center Clamp Series_3 inches
S型鉗口 (S-Type Jaws)
Suitable for pre-stamping indentations
Low clamping force, reduces material deformation
Low wear on clamping devices, long service life
Small tightening tools, ergonomic design
Material: Steel HRC50
A型鉗口 (A-Type Jaws)
Suitable for light-cutting machining
Saves material, shortens production time
Improves dimensional stability
Material: Steel HRC50
Suitable for pre-stamping indentations
Low clamping force, reduces material deformation
Low wear on clamping devices, long service life
Small tightening tools, ergonomic design
Material: Steel HRC50
A型鉗口 (A-Type Jaws)
Suitable for light-cutting machining
Saves material, shortens production time
Improves dimensional stability
Material: Steel HRC50
Model :
WEV-3BS040
Type A Workpiece Pre-stamping for Aluminum.
Type S Workpiece Pre-stamping for Steel.
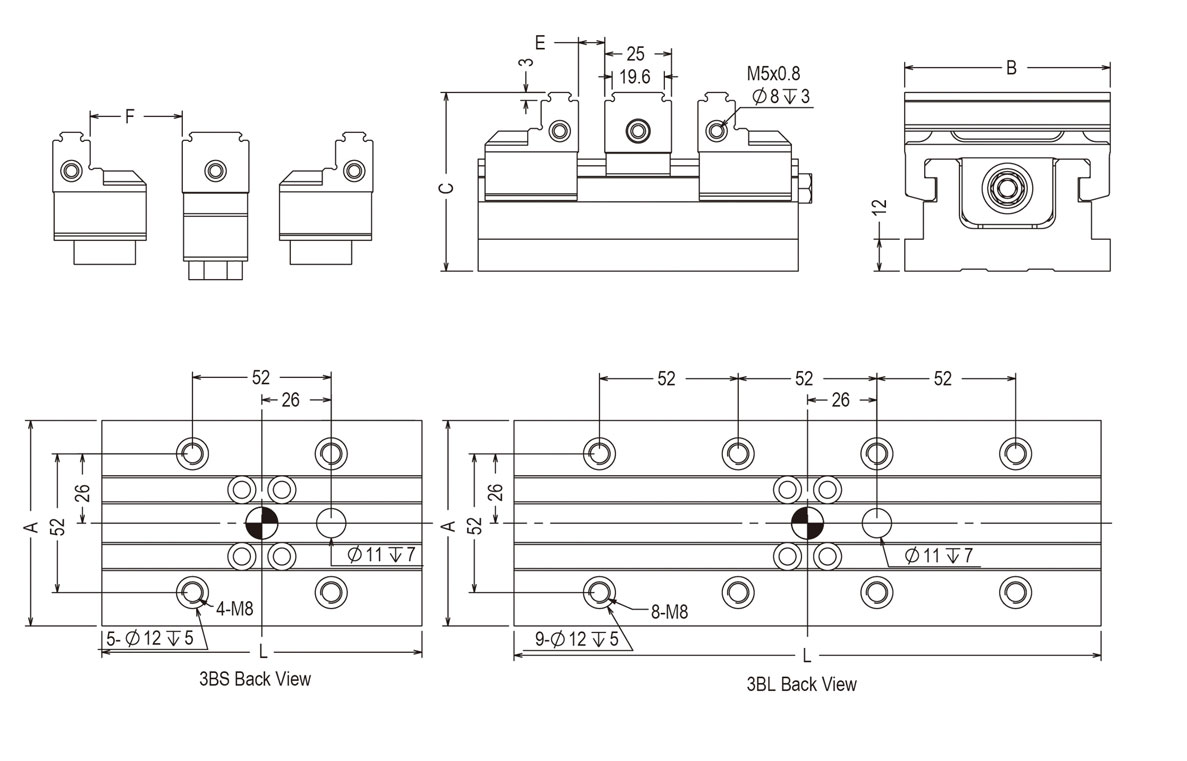
尺 寸 圖
| Clamping Range | Clamping Force | Torque Vise Assembly | Set/Kg | |||||||
| Technical Data | A | B | C | L | E | F | ||||
| 3" Double Station Vise |
WEV-3BS040 |
77 | 77 | 67 | 120 | 0-22 | 22-40 | 13kN/60Nm | Max.70Nm | 3.2 |
| 3" Large Double Station Vise |
WEV-3BL90 |
77 | 77 | 67 | 220 | 0-65 | 22-90 | 13kN/60Nm | Max.70Nm | 4.6 |
