Grip Center Clamp Series-5"
Model :
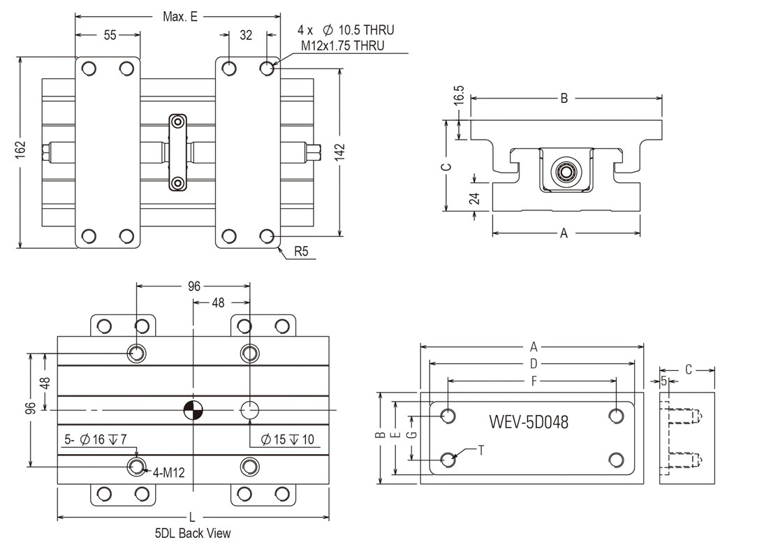
WEV-5DL230
Dimension
|
|
|
|
|
|
|
Clamping Range |
Clamping Force | Torque Vise Assembly | Set/Kg |
| Technical Data | A | B | C | L | E | ||||
| 5" Self-Centering Vise | WEV-5DL230 | 125 | 162 | 77 | 230 | 250 | 15.6kN/85Nm | Max.100Nm | 11.4 |
| Technical Data | A | B | C | D | E | F |
G |
T | Material | Set/Kg | |
| 5" Soft Jaws | WEV-5D048 | 172 | 65 | 48 | 162 | 55 | 142 | 32 | M10 | S50C | 7.6 |
